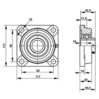
Подшипник UCF207 с корпусом из чугуна представляет собой готовое к установке решение для создания вращательных соединений в различных промышленных агрегатах. Данные узлы объединяют в себе собственно подшипник качения и литой корпус, что значительно упрощает процесс монтажа и обслуживания. Конструкция предназначена для восприятия радиальных и ограниченных осевых нагрузок, обеспечивая надежную опору для вала.
-
ДоставкаБесплатная доставка до ТК
-
8 лет на рынкеПродаем подшипники с 2012 года
-
От производителяТолько оригинальная продукция
-
Быстрый подборЗакрываем до 100% потребности клиента
Ключевые преимущества UCF 207

Использование подшипниковых узлов данного типоразмера предоставляет ряд существенных эксплуатационных преимуществ. Высокий уровень защиты от факторов внешней среды обеспечивает стабильную работу в запыленных условиях или при повышенной влажности. Чугунный корпус обладает исключительной долговечностью и устойчивостью к коррозии в широком диапазоне рабочих сред, превосходя по этому показателю стальные аналоги. Простота установки и обслуживания снижает общие затраты на обслуживание оборудования. Конструкция узла позволяет проводить повторную смазку в процессе эксплуатации без необходимости его демонтажа, что является ключевым фактором для обеспечения непрерывности технологических процессов. Среди прочих преимуществ можно выделить:

1. Стойкость к коррозии и вибрациям.
2. Способность компенсировать первоначальные перекосы.
3. Эффективное уплотнение, сохраняющее смазку и блокирующее загрязнения.
4. Универсальность применения для различных отраслей промышленности.
5. Снижение затрат на монтаж и техническое обслуживание.
6. Длительный срок службы даже в режиме интенсивной эксплуатации.
Наша компания специализируется на поставках подшипниковых узлов и сопутствующих компонентов, в том числе и для предприятий промышленного сектора. Для получения актуальной информации о наличии и стоимости, а также для консультации по техническим параметрам, рекомендуется обратиться к нашим специалистам. Клиенту достаточно связаться с нами по указанным контактным данным для согласования технических требований и условий поставки. На основании полученной информации менеджер формирует коммерческое предложение с указанием сроков, цены и условий оплаты. После подтверждения заказа он поступает в работу на склад для отгрузки либо в отдел логистики для организации доставки в Москву, Санкт-Петербург, Новосибирск, Екатеринбург, Казань, Нижний Новгород, Красноярск, Челябинск, Уфу, Самару, Ростов-на-Дону, Омск, Краснодар, Воронеж, Пермь, Волгоград.
Контактная информация
Офис: г. Москва, Проспект мира 101, БЦ «Гипромез»
Склад: г. Одинцово, ул. Союзная, 7
+7 (915) 348-38-13
Для коммерческих запросов: sales@tvgmsk.com
По общим вопросам: info@tvgmsk.com
Телефон: +7 (495) 777-00-81
График работы
Пн - Пт: C 8:00 до 17:00
Сб - Вс: Выходные дни

